全国统一服务热线
400-610-6025
首 页
WANBO SPORTS
公司概况
证书荣誉
组织结构
业务范围
业绩案例
工艺材料
行业动态
资料下载
WANBO SPORTS
当前位置:
首页
>
图集
>
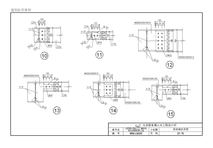
山西某大型化工厂爆炸后结构加固修复工程
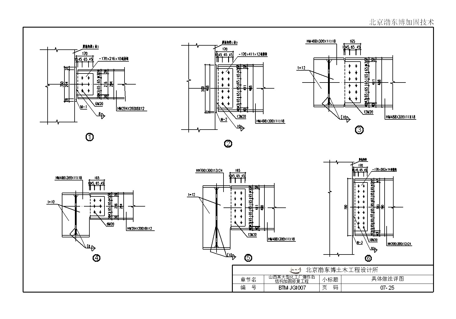
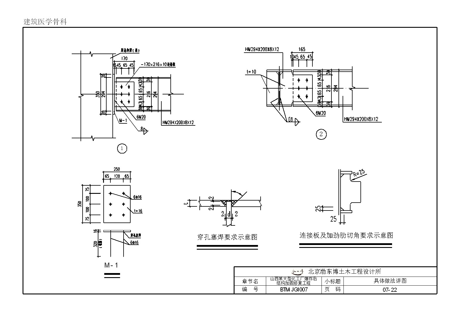
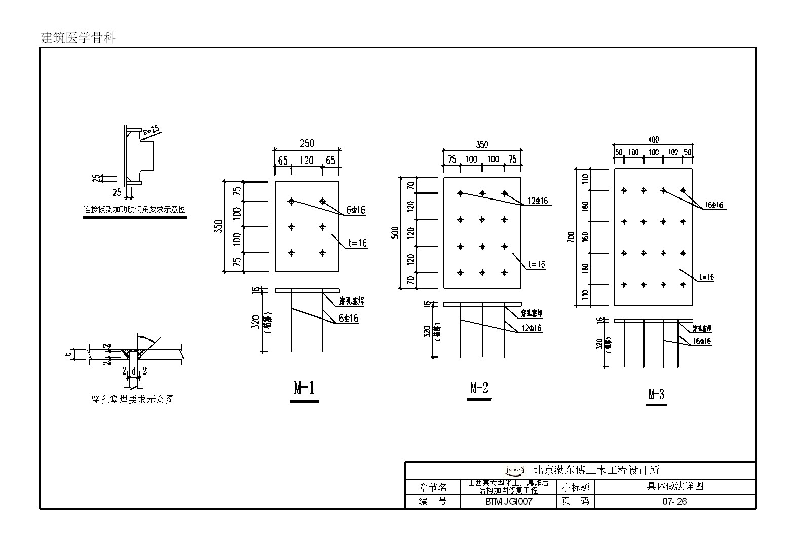
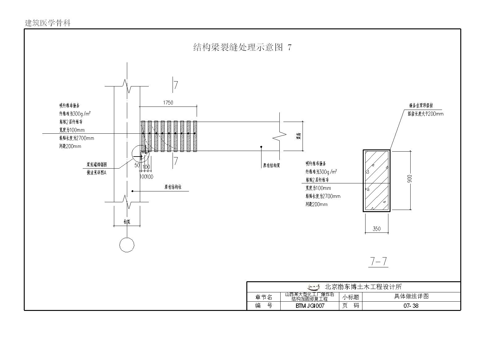
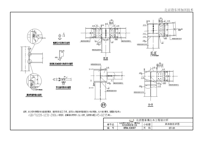
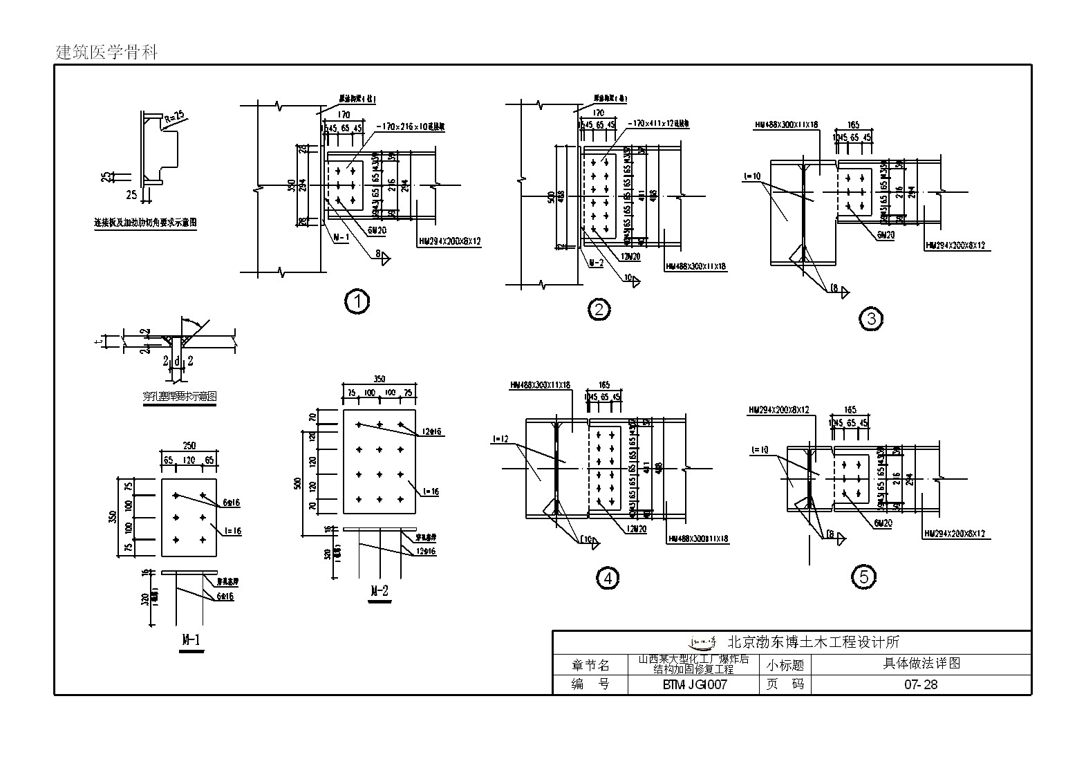
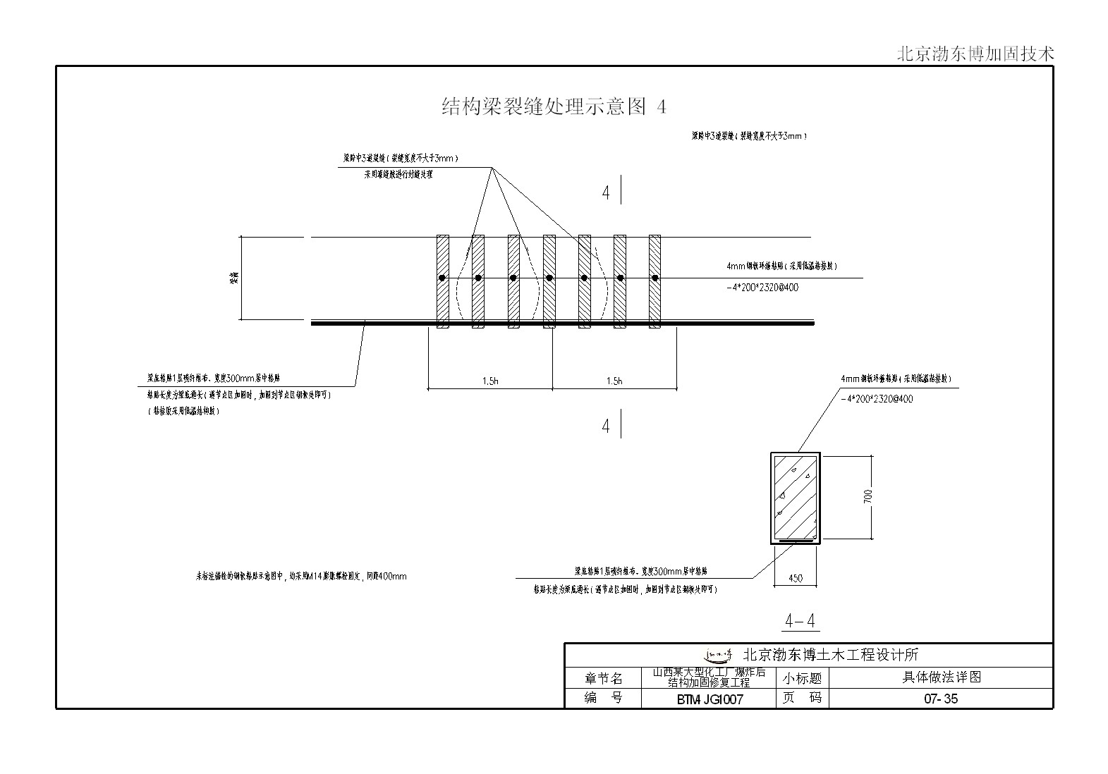
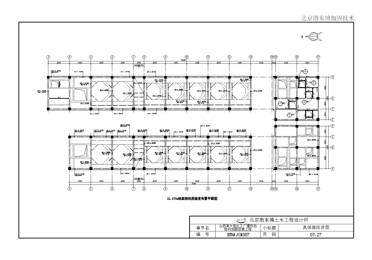
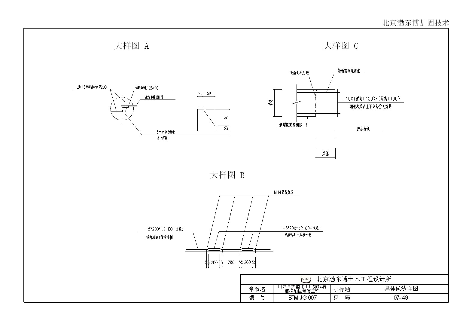
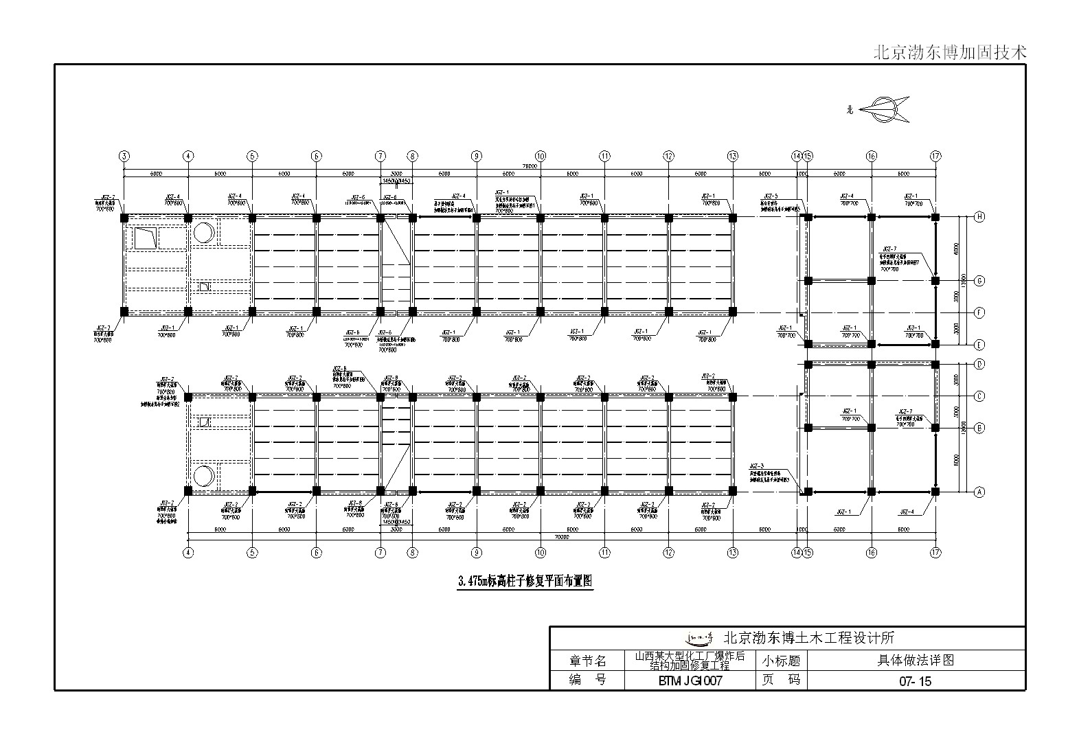
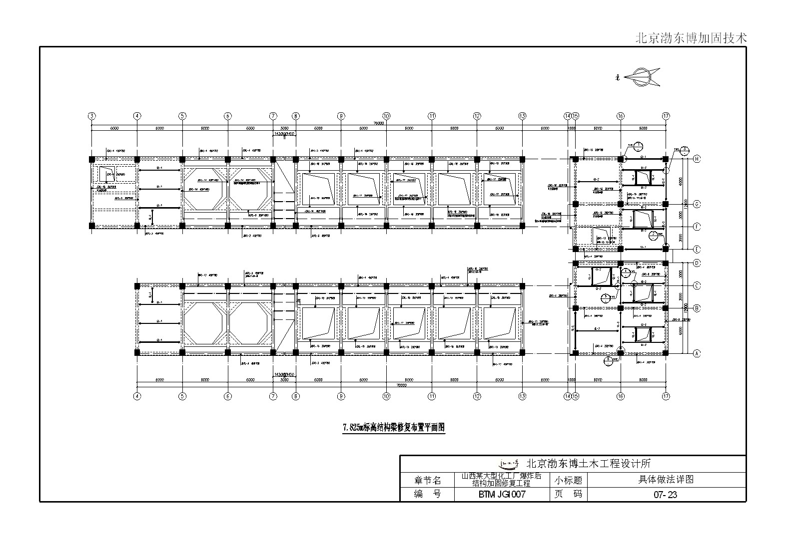
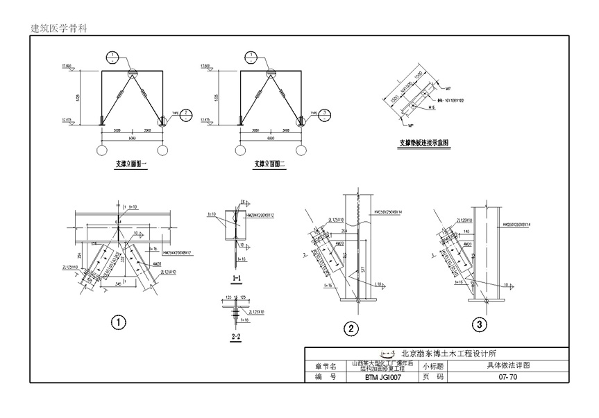
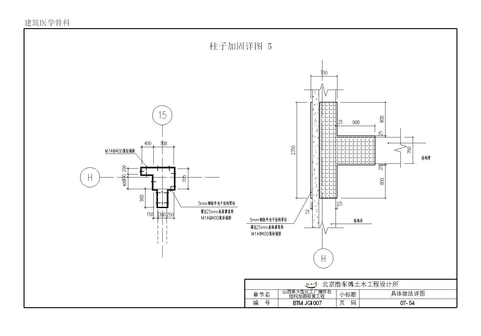
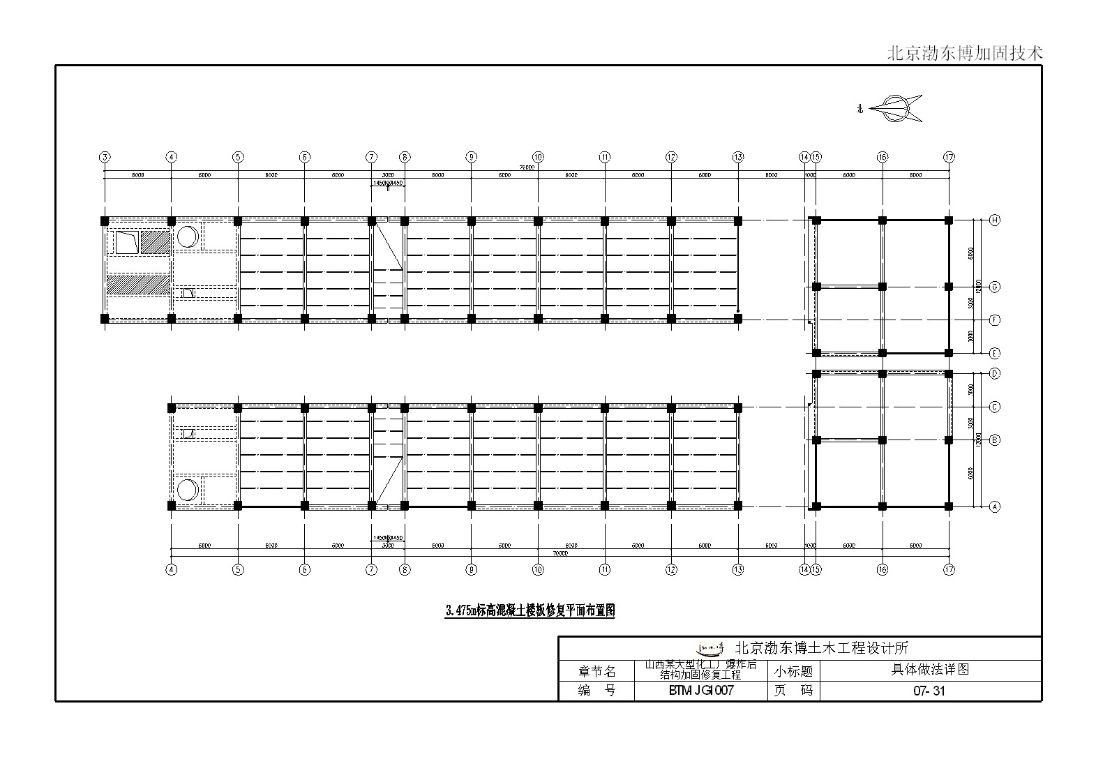
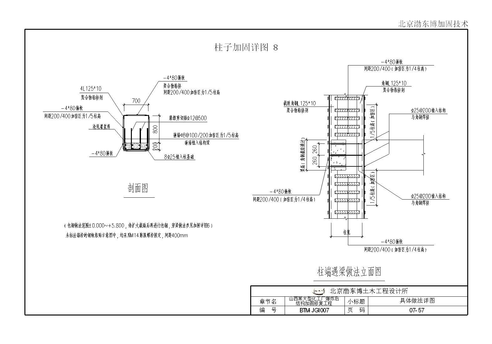
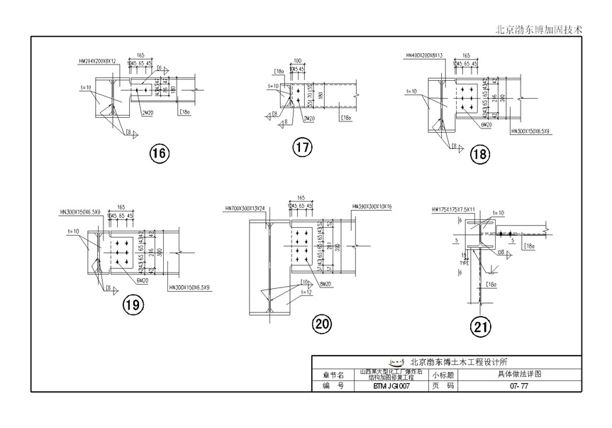
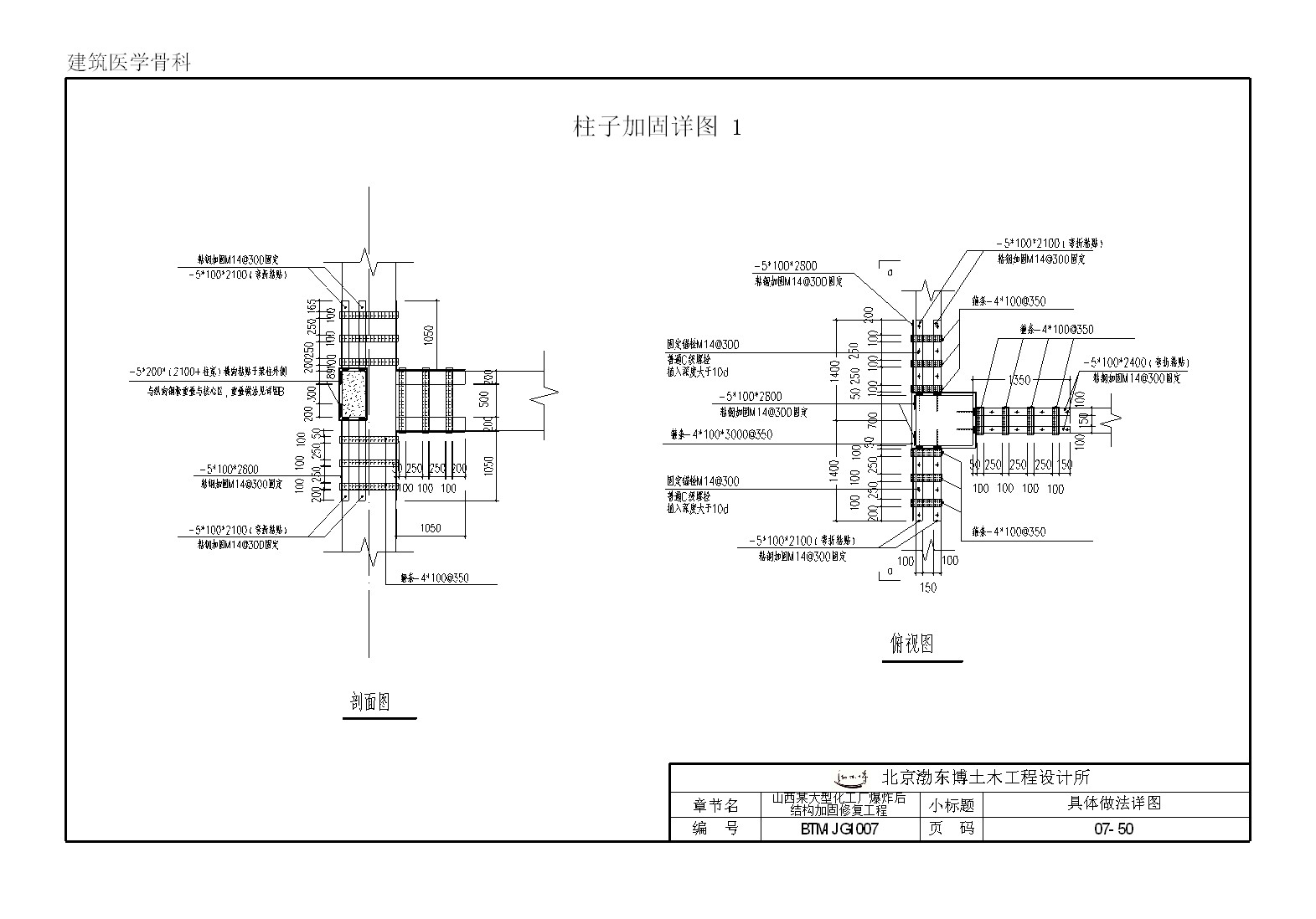
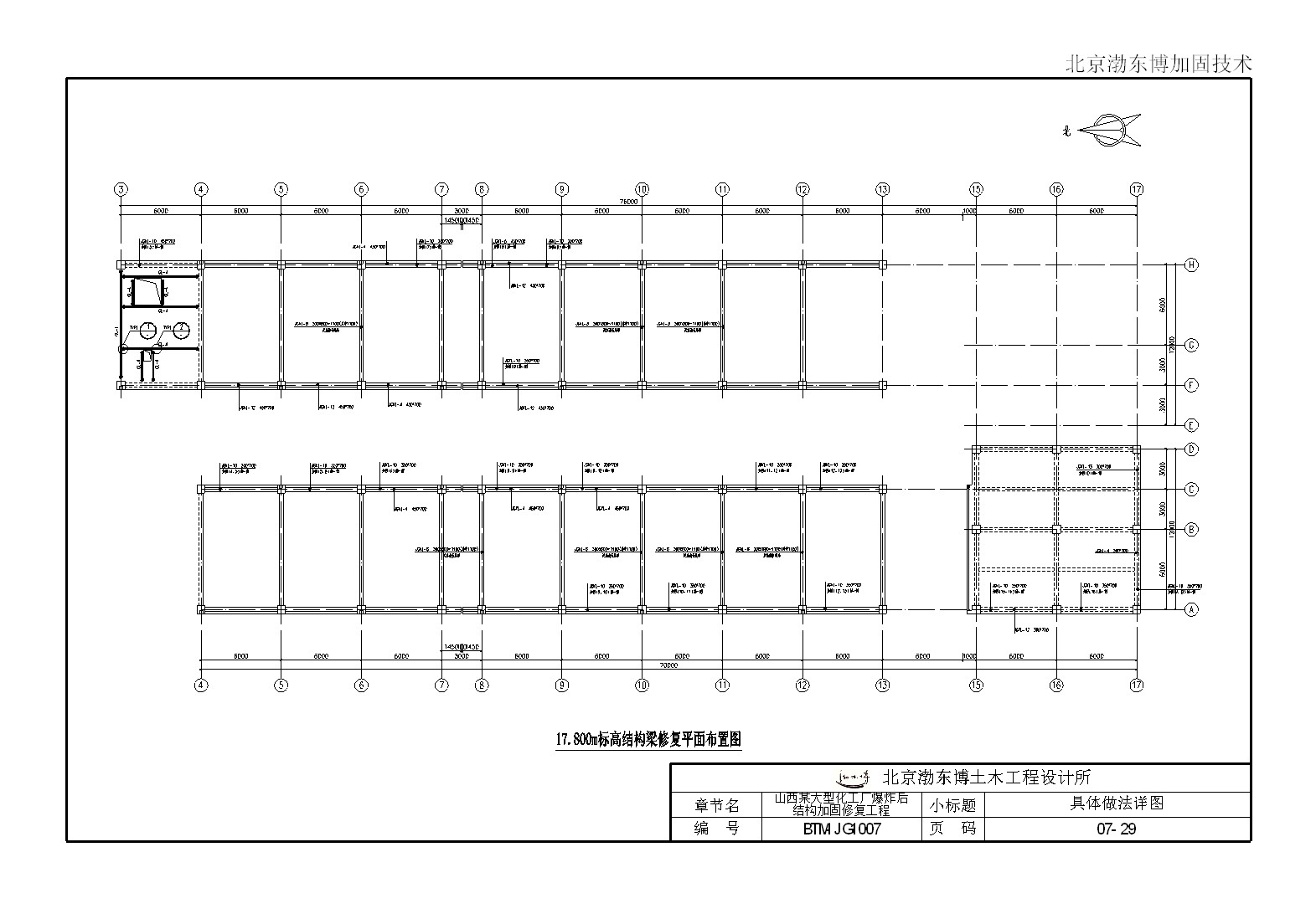
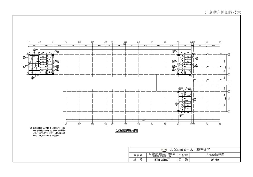
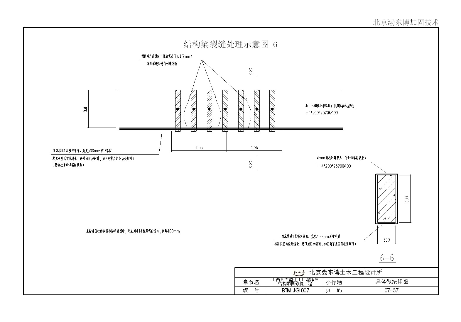
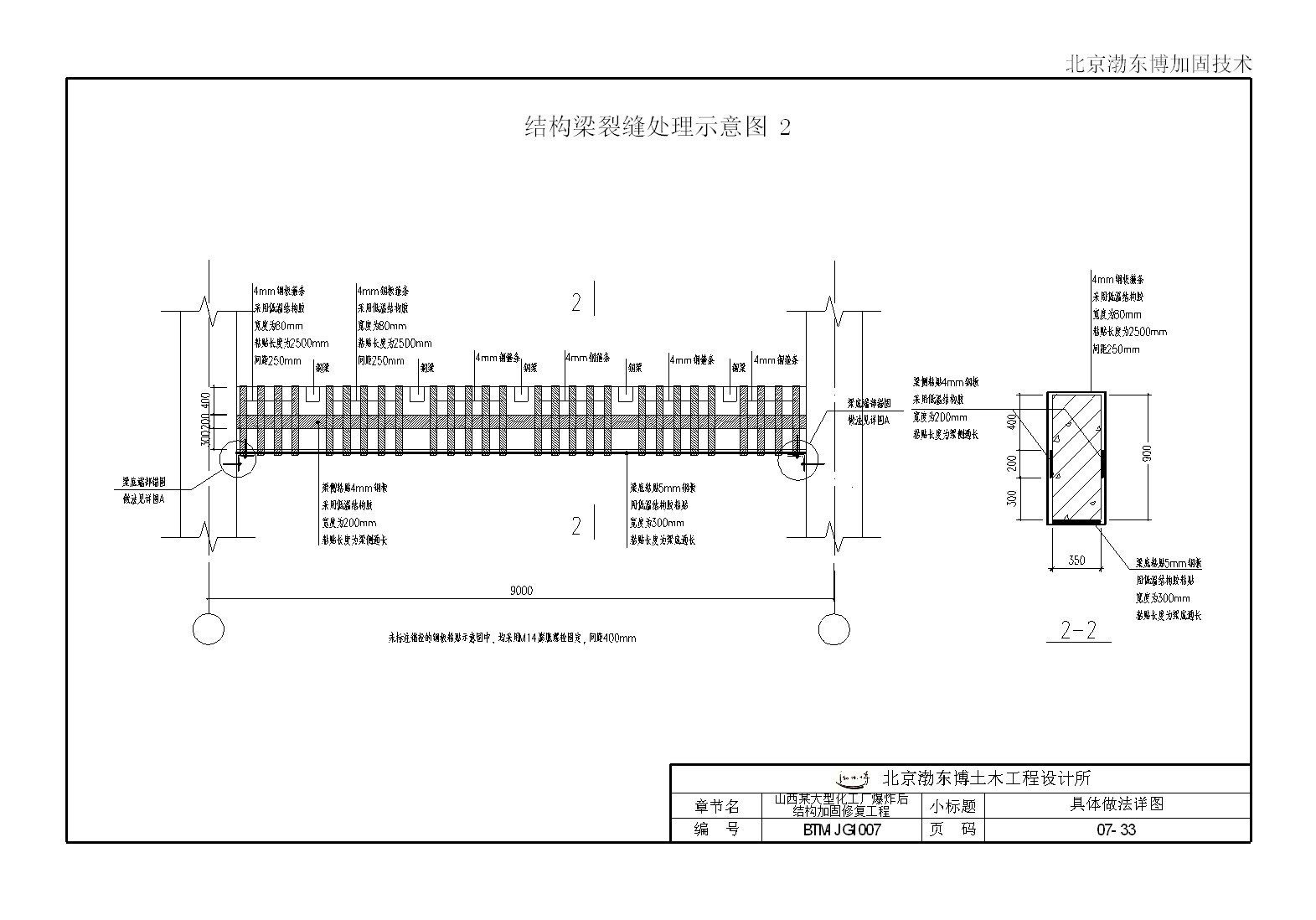
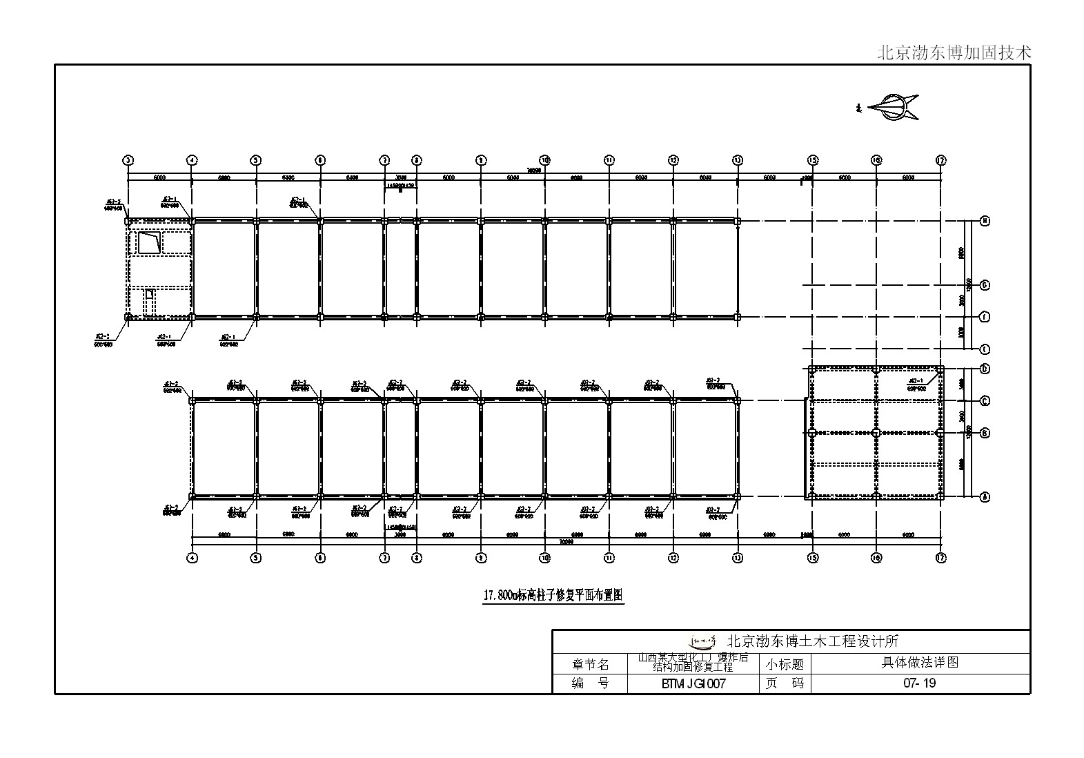
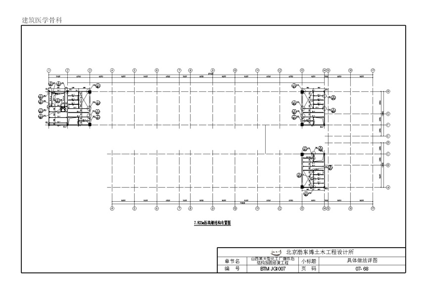
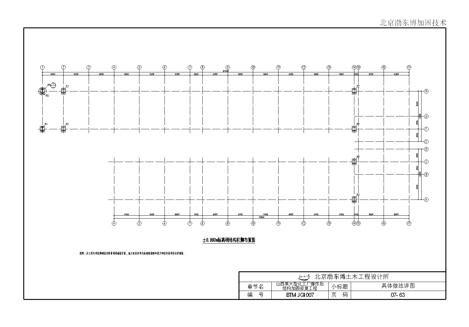
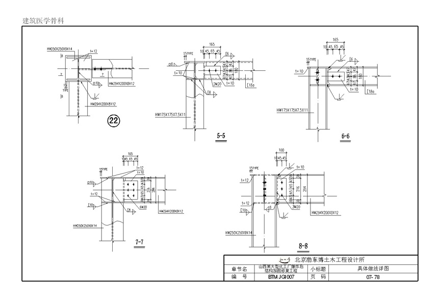
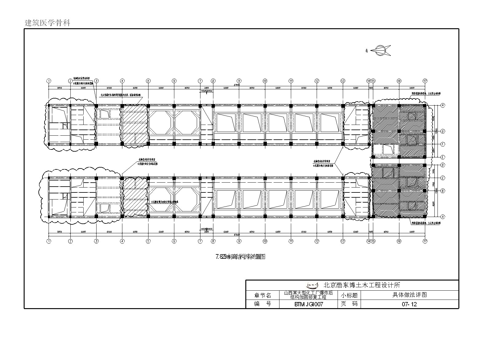
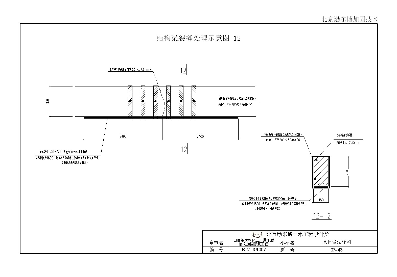
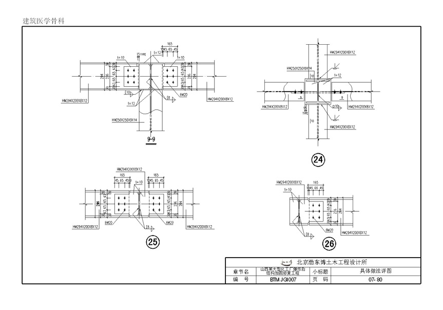
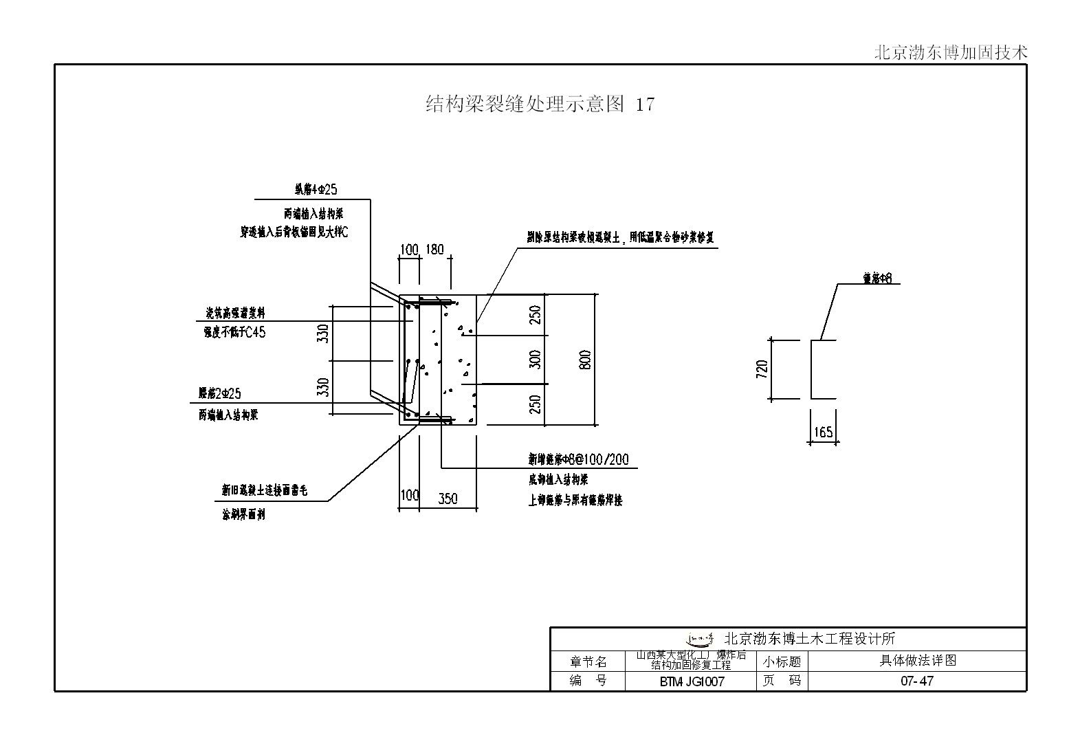
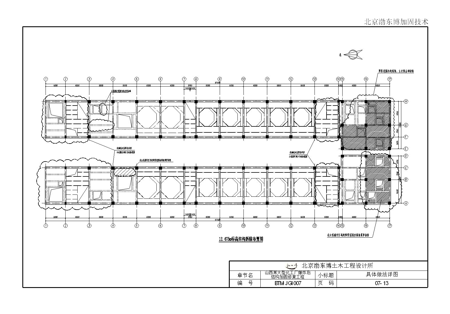
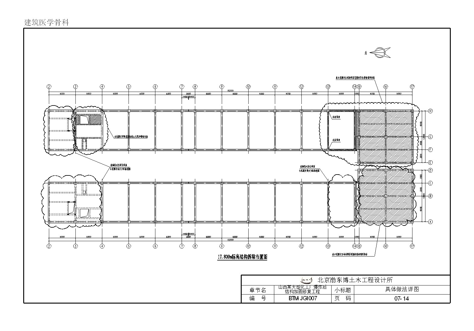
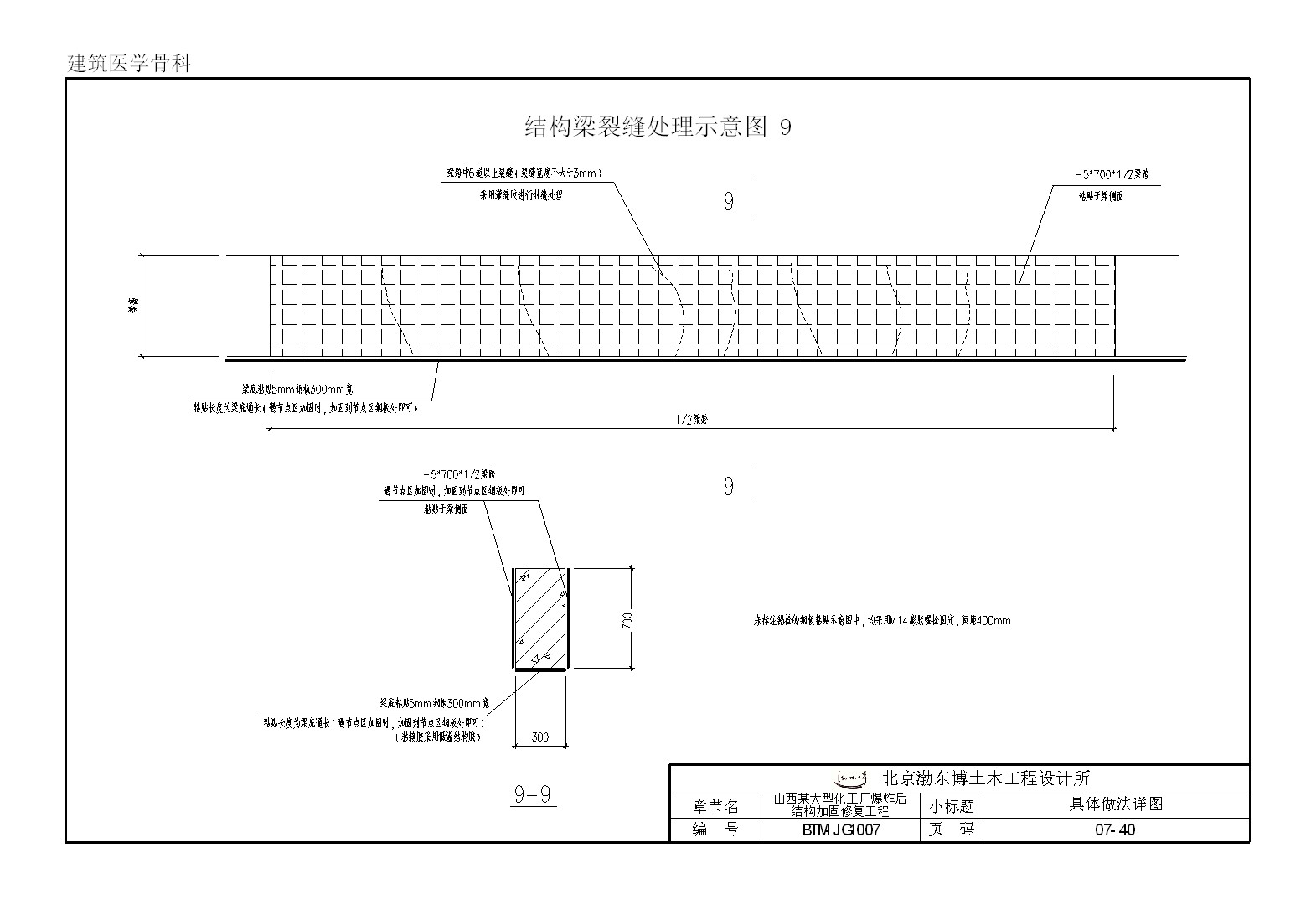
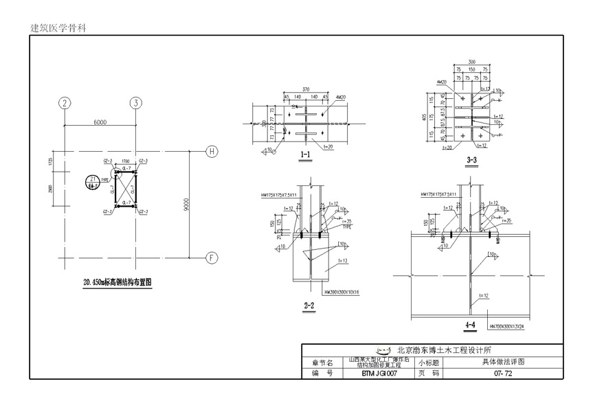
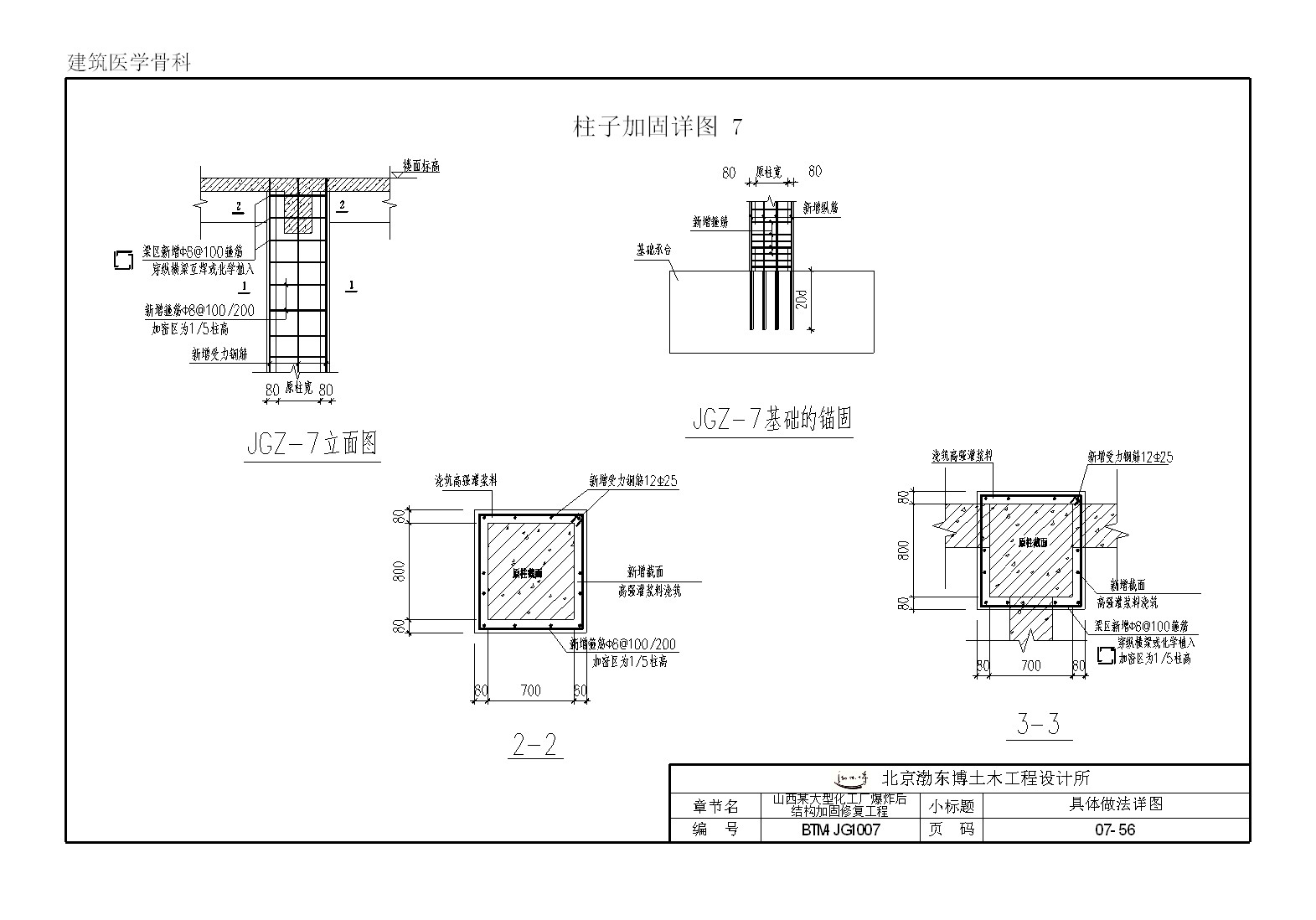
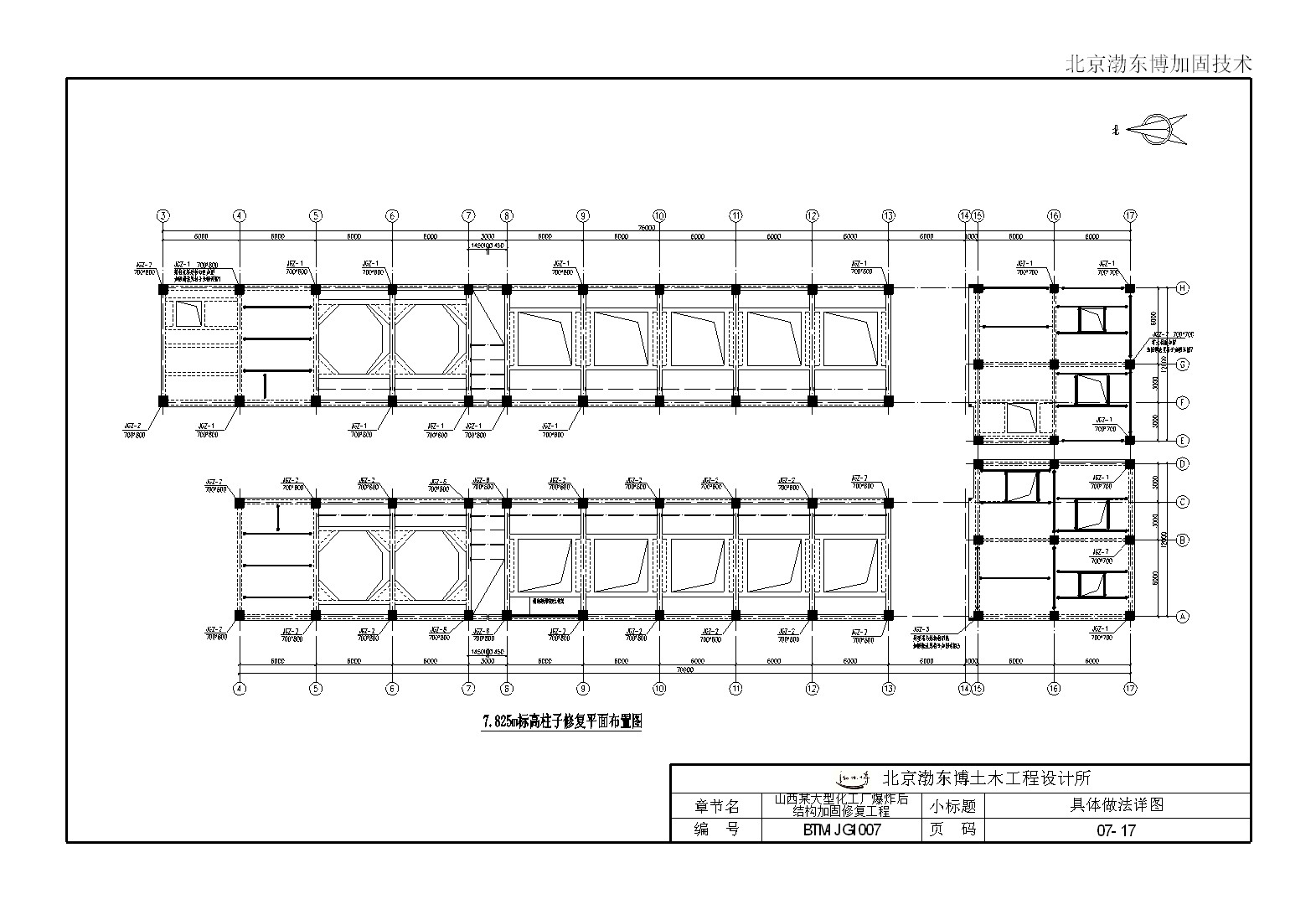
山西某大型化工厂爆炸后结构加固修复工程
版权所有:万搏体育(中国)官方网站
邮箱:jiagu@bodongbo.com
传真:010-64403408
电话:400-610-6025 800-810-6025 010-64403428
地址:北京市朝阳区北苑东路19号院2号楼1206室(中国铁建广场C座)
京ICP备2022035419号-1
新利官方网
|
米兰官方网站
|
华体会体育官方在线官网
|
乐鱼web版登录入口
|
wb体育(中国官网)集团科技有限公司
|
乐玩LE WIN(中国)
|
好博
|
米兰体育·(中国)官方网站
|
安博官方网页版
|